Schnelle Lieferung

Persönliche Beratung

850+ Fahrzeugtypen

3-Tage Service







				

Wählen Sie Ihr Fahrzeug aus, um die passenden Autoteile zu finden.

Oder

1
2
3

Produkte für die folgenden Oenummer :
4 24 932 4249 32 4249.32 424932


Produkte gefunden 11

TRW DF2059BS Bremsscheibe

EAN: 3322937716319
Product number: DF2059BS
EAN: 3322937716319

Marge

CHF 154,82

Liefertermin: 01-01-1970
Product number: 0 986 479 S43
EAN: 4047025137935
Eigenschaften
Alles weergeven
Erfüllt ece-norm ece-r90
Oberfläche geölt
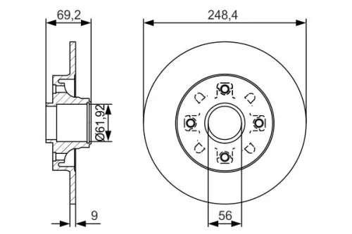
Mindestdicke (mm) 7
Lochanzahl 4
Zentrierungsdurchmesser (mm) 61.92
Lochkreis-Ø (mm) 108
Höhe (mm) 69.2
Bremsscheibendicke (mm) 9
Außendurchmesser (mm) 248.4
Bremsscheibenart voll

Marge

CHF 72,54

Liefertermin: 01-01-1970
Product number: 92202103
EAN: 4019722460753
Eigenschaften
Alles weergeven
Bohrbild/lochzahl 04/04
Achszapfen-Ø (mm) 30
Radbolzenbohrung-Ø (mm) 12
Verpackungshöhe (cm) 10.5
Verpackungslänge (cm) 27.8
Verpackungsbreite (cm) 27.8
Innendurchmesser (mm) 142.5
Oberfläche beschichtet
Mindestdicke (mm) 7
Zentrierungsdurchmesser (mm) 55.9
Lochkreis-Ø (mm) 108
Höhe (mm) 69.2
Bremsscheibendicke (mm) 9
Außendurchmesser (mm) 249
Bremsscheibenart voll
Ergänzungsartikel/ergänzende info mit achsmutter
Ergänzungsartikel/ergänzende info 2
  • mit radlager
  • mit radnabe
  • mit integriertem magnetischen sensorring
  • ohne radbefestigungsbolzen
Gewicht (kg) 5.1
Gewicht 5.1 kg

Marge

CHF 162,08

Liefertermin: 01-01-1970

SKF VKBD 1012 Bremsscheibe

EAN: 7316573402398
Product number: VKBD 1012
EAN: 7316573402398
Eigenschaften
Alles weergeven
Felge (-loch) 4
Höhe (mm) 69.2
Bremsscheibendicke (mm) 9
Außendurchmesser (mm) 249
Bremsscheibenart voll
Ergänzungsartikel/ergänzende info 2
  • mit integriertem magnetischen sensorring
  • mit integriertem radlager

Marge

CHF 122,15

Liefertermin: 01-01-1970
Product number: 0 986 479 275
EAN: 4047024226999
Eigenschaften
Alles weergeven
Erfüllt ece-norm ece-r90
Innendurchmesser (mm) 30
Oberfläche beschichtet
Mindestdicke (mm) 7
Lochanzahl 4
Zentrierungsdurchmesser (mm) 61.98
Lochkreis-Ø (mm) 108
Höhe (mm) 69.2
Bremsscheibendicke (mm) 9
Außendurchmesser (mm) 249
Bremsscheibenart voll
Ergänzungsartikel/ergänzende info 2
  • mit radlager
  • mit abs-sensorring

Marge

CHF 163,29

Liefertermin: 01-01-1970
Product number: 19-1971
EAN: 5901619528327
Eigenschaften
Alles weergeven
Achszapfen-Ø (mm) 30
Mindestdicke (mm) 8
Lochanzahl 4
Zentrierungsdurchmesser (mm) 56.5
Lochkreis-Ø (mm) 108
Höhe (mm) 67
Bremsscheibendicke (mm) 9
Außendurchmesser (mm) 250
Bremsscheibenart voll
Ergänzungsartikel/ergänzende info 2
  • mit radlager
  • mit abs-sensorring

Marge

CHF 65,28

Liefertermin: 01-01-1970
QUARO
Bremsscheibe

QUARO QD0711 Bremsscheibe

EAN: 5902659706140

QUARO QD0711 Bremsscheibe

EAN: 5902659706140
Product number: QD0711
EAN: 5902659706140
Eigenschaften
Alles weergeven
Achszapfen-Ø (mm) 30
Oberfläche lackiert
Mindestdicke (mm) 7.5
Lochanzahl 4
Zentrierungsdurchmesser (mm) 56
Lochkreis-Ø (mm) 108
Höhe (mm) 69.2
Bremsscheibendicke (mm) 9
Außendurchmesser (mm) 249
Bremsscheibenart voll
Ergänzungsartikel/ergänzende info 2
  • mit radlager
  • mit integriertem magnetischen sensorring

Marge

CHF 96,74

Liefertermin: 01-01-1970
Product number: 24.0109-0100.2
EAN: 4006633311793
Eigenschaften
Alles weergeven
Aufnahme-Ø (mm) 30
Gewindemaß m12x1,25
Innendurchmesser (mm) 62.0
Oberfläche beschichtet
Mindestdicke (mm) 7.0
Lochanzahl 4
Zentrierungsdurchmesser (mm) 56.0
Lochkreis-Ø (mm) 108.0
Höhe (mm) 69.2
Bremsscheibendicke (mm) 9.0
Außendurchmesser (mm) 249.0
Bremsscheibenart voll
Ergänzungsartikel/ergänzende info 2
  • mit radlager
  • mit abs-sensorring
Prüfz. e1 90r-02c0444/2505

Marge

CHF 183,86

Liefertermin: 01-01-1970
Product number: 0 986 479 255
EAN: 4047024226944
Eigenschaften
Alles weergeven
Erfüllt ece-norm ece-r90
Oberfläche beschichtet
Mindestdicke (mm) 7
Lochanzahl 4
Zentrierungsdurchmesser (mm) 61.9
Lochkreis-Ø (mm) 108
Höhe (mm) 69.2
Bremsscheibendicke (mm) 9
Außendurchmesser (mm) 249
Bremsscheibenart voll

Marge

CHF 81,01

Liefertermin: 01-01-1970
SNR
Bremsscheibe

SNR KF159.57U Bremsscheibe

EAN: 3413520968328

SNR KF159.57U Bremsscheibe

EAN: 3413520968328
Product number: KF159.57U
EAN: 3413520968328
Eigenschaften
Alles weergeven
Oberfläche lackiert
Bremsscheibendicke (mm) 9
Außendurchmesser (mm) 250
Bremsscheibenart voll
Ergänzungsartikel/ergänzende info 2
  • mit integriertem magnetischen sensorring
  • mit wälzlager

Marge

CHF 107,63

Liefertermin: 01-01-1970
Product number: 11-15 523 4102
EAN: 4040074273609
Eigenschaften
Alles weergeven
Gewindemaß m12x1.25
Mindestdicke (mm) 7
Lochanzahl 4
Zentrierungsdurchmesser (mm) 30
Lochkreis-Ø (mm) 108
Höhe (mm) 69.2
Bremsscheibendicke (mm) 9
Außendurchmesser (mm) 249
Bremsscheibenart voll
Benötigte stückzahl 2
Ergänzungsartikel/ergänzende info 2
  • mit abs-sensorring
  • mit integriertem radlager
Einbauposition Hinterachse

Marge

CHF 128,20

Nicht vorrätig
Liefertermin: 01-01-1970

© 2025 AT24.nl - Alle Rechte vorbehalten